logo (1)

Aircraft-Slip-Ring

Aircraft-Slip-Ring

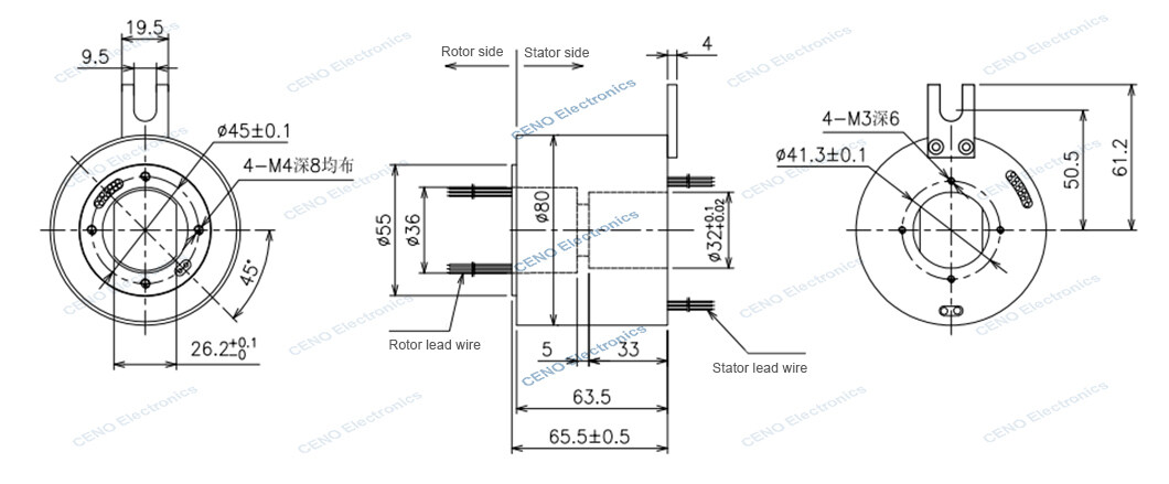
Product Model: ECN000-02P2-08S-01EM-02R
Description
  • Current & Circuits: 1* 20A, 1* PE, 8 * Signal, 1* 100M Ethernet
  • Rating Voltage: 0~440 VAC/VDC
  • Dielectric strength: ≥1000VAC@50Hz; ≥300VAC@50Hz
  • Isolation resistance: ≥500MΩ@300VDC; ≥100MΩ@300VDC
  • Contact resistance: ≤10mΩ (50rpm)
  • Working Temperature: -40°C~+80°C
  • Working humidity: 90%RH
  • IP protection grade: IP51
  • Operating speed: 0~250 rpm
  • Contact material: Precious Metal
  • Housing material: Aluminium alloy
  • Lead wire size: AWG17# AWG22# Tin coated Teflon® UL
  • Lead wire length: Rotor: 500mm; Stator: 500mm

ECN000-02P2-08S-01EM-02R is CENO new design low temperature slip ring with Ethernet signal for aircraft application. In the high-end field of industrial equipment, there are requirements for multiple relative motions such as revolution and rotation. While the mechanical equipment continuously rotates 360°, multiple movements are also required on the rotating body. To move, energy is needed, and it is also necessary to control signal sources, such as Ethernet signals, optical fiber signals, high-frequency signals, etc. For more information about how CENO slip ring can fit your specific application please contact us.