logo (1)

Anti-explosion Slip Rings

  1. Home
  2. /
  3. Function Slip Rings
  4. /
  5. Anti-explosion Slip Rings
  6. /Anti-explosion Slip Rings

Anti-explosion Slip Rings

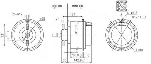
Product Model: ECN-EX-07P2
Description
  • Circuits*Current: 7*10A
  • Rating voltage: 1000VDC
  • Dielectric strength: ≥1500VAC@50Hz
  • Isolation resistance: ≥500MΩ@100VDC
  • Resistance fluctuation: 70mΩ
  • Lead wire size: W7F46PP-11.80mm
  • Protection grade: IP65
  • Working temperature: -40°C~+80°C
  • Working speed: 0~50rpm
  • Contact material: Precious metal
  • Anti-explosion grade: ExdIIBT4 Gb IP65
  • Housing material: Aluminum alloy.

Explosion-proof slip ring has more safety and higher reliability, designed for use in the condition which is easy to explode, such as in oil platform, explosive material packing machine, agro-product processing equipment, coal mine and spray finishing, etc.