| ECN000-03F | Specification |
| Lead wire length | Rotor : 2000mm±20mm Stator :2000mm±20mm |
| Operating speed | 0~50rpm |
| Contact material | Precious metal |
| Housing material | Aluminum alloy + Stainless steel |
| Working temperature | -20°C~+80°C |
| Working humidity | <60% |
| Protect grade | IP66 |
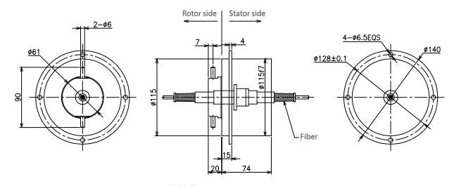
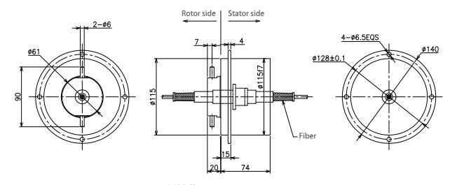
| External diameter | Ø115±7mm |
| Fiber | Parameter | |
| Fiber mode | 1 * single mode | 2 * multi mode |
| Fiber type | Armour optical fiber with external diameter Ø3.0mm | Armour optical fiber with external diameter Ø3.0mm |
| Wave length | 1310 / 1550nm | 850 / 1310nm |
| Insert loss | <3.5dB | <3.5dB |
| Insert loss WOW | <1.5dB | <1.5dB |
| Return loss, min | >20dB | >20dB |
| Optical power, max | 23dBm | 23dBm |
| Interface type | SC | SC |
Provide high-quality conductive slip ringsand professional solutions for manyindustries and domestic and foreign
customers
CENO Electronics.