logo (1)

Encoder Integrated Slip Ring

  1. Home
  2. /
  3. Integrated Slip Rings
  4. /
  5. Power/Signal+Encoder
  6. /Encoder Integrated Slip Ring

Encoder Integrated Slip Ring

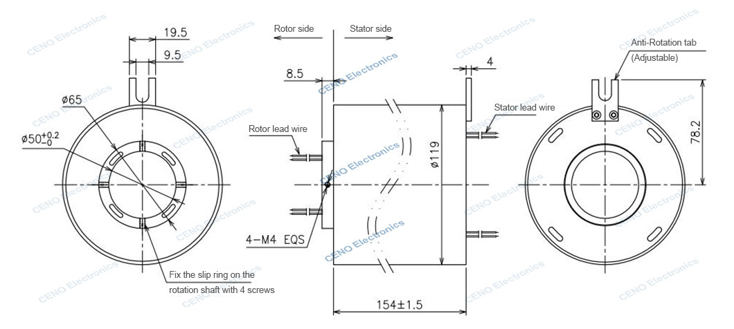
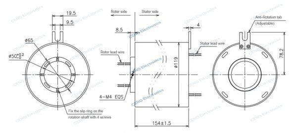
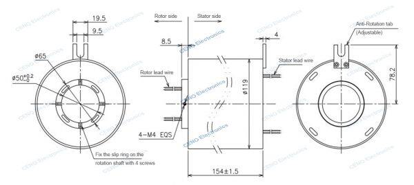
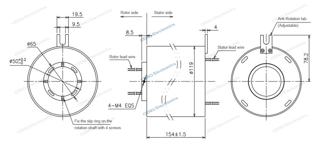
Product Model: ECN050-15P2-15S
Description
  • Current & Circuits: 15*10A; 1*PE; 15*Encoder
  • Rating Voltage: 0~380VAC/VDC
  • Dielectric strength: ≥1500VAC@50Hz; ≥500VAC@50Hz
  • Isolation resistance: ≥500MΩ@500VDC; ≥100MΩ@100VDC
  • Electrical Noise: 30mΩ (50rpm)
  • Contact material: Precious Metal
  • Housing material: Aluminum Alloy
  • Working temperature: -20°C~+80°C
  • Working humidity: 60 %RH
  • IP protection grade: IP51
  • Operating speed: 0~200rpm
  • Lead wire size: AWG17# Wire Teflon® UL; 8core twisted shielded wire
  • Lead wire length: Rotor – 300mm; Stator – 300mm
  • Inner Diameter: Ø50mm
  • External Diameter: Ø119mm
  • Installation: Fix stator side upon Shaft with screws

ECN050-15P2-15S is CENO new design integrated slip ring which combined electrical power and 15 circuits Encoder. As we know that an encoder slip ring is a component used to measure or control the position, speed or direction of an object in a system. It measures and controls by converting physical qualities by converting physical quantities such as position, speed or direction into digital signals. Encoder slip ring often apply to the industrial automation, robotics, aerospace, automotive safety systems etc. For more information please contact us.