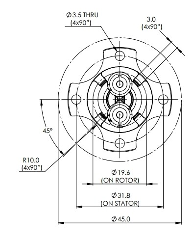
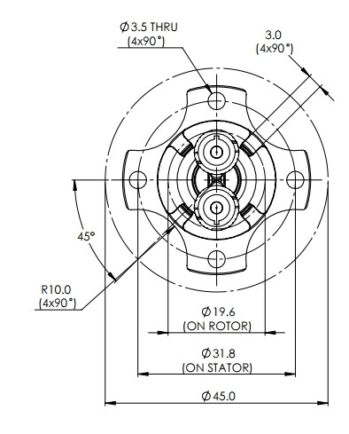
| FCN02-20M | Specification |
| Fiber type | MM |
| Fiber channel | 2 |
| Connector type | FC/LC/ST |
| Wave length | 1310/850nm or 1310/1550nm |
| Insertion loss | < 4dB channel 1,< 6dB channel 2 |
| Rotation speed,max | 100rpm |
| Operation temperature | 40℃~+72℃ |
| Estimated life cycle | 100-200 million revolutions |
| IP grade | IP60 |
| Housing material | Stainless steel |
Provide high-quality conductive slip ringsand professional solutions for manyindustries and domestic and foreign
customers
CENO Electronics.