logo (1)

High Current Carbon Brush Slip Rings

  1. Home
  2. /
  3. Signal Slip Rings
  4. /
  5. Thermocouple Slip rings
  6. /High Current Carbon Brush Slip Rings

High Current Carbon Brush Slip Rings

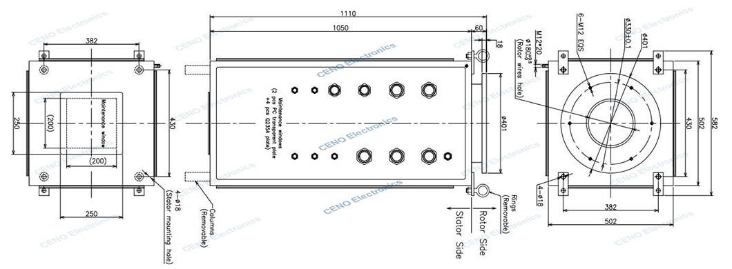
Product Model: BHCN-C-07P-42S-68K
Description
  • Current & Circuits: 3*800A, 1*PE, 3*60A; 3*16A Heater, 20*1A Signal, 19*Signal (Encoder, Ethernet)
  • Rating Voltage: 500VAC(power); 220VAC/24VDC (signal)
  • Dielectric strength: ≥2500V@50Hz (power); ≥1000VAC@50Hz (signal)
  • Isolation resistance: ≥500MΩ@500VDC; ≥300MΩ@500VDC
  • Electrical Noise: ≤10mΩ
  • Operating speed: 0~15rpm
  • Contact material: Copper graphite (power); Precious metal; Gold-plated (signal);
  • Housing material: Q235A-Sand blasting SA2.5 grade; Epoxy primer and polyurethane paint; Spray paint color-2728C; Stainless steel screw material : SUS316 or Dacro selfdrilling screw
  • Encoder model: AC58 0013 E S.41 OL B
  • Heater model: 220VAC, 220W, below 20°C heating with integrated temperature control.
  • Working temperature: -20°C~+60°C
  • Working humidity: 100%RH
  • IP protection grade: IP54
  • Rotation Way: Brush rotating, ring standstillInstallation;
  • Rotor side: Flange installation Stator side : Mounting hole

BHCN-C-07P-42S-68K is CENO’s new developed product high current carbon brush slip ring for marine equipment application. Due to it’s excellent weather resistance, high electrical safety and special design often be called central electric collector, large power sip ring. Adopts binding post connect, easy to connecting wires, and can be combined with encode, fiber optic, high frequency rotary joint etc. Often apply to the marine crane, harbour machinery, offshore platform or boat thruster. For more information about how CENO’s high current carbon brush slip rings can fit you specific application, please contact us freely.