logo (1)

High speed Carbon brush Slip Ring

  1. Home
  2. /
  3. Function Slip Rings
  4. /
  5. High Speed Slip Rings
  6. /High speed Carbon brush Slip Ring

High speed Carbon brush Slip Ring

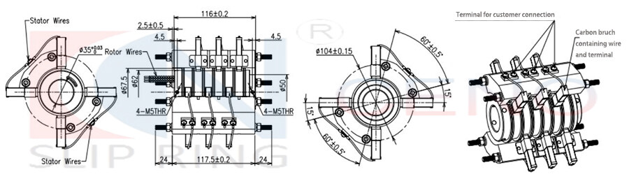
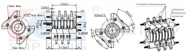
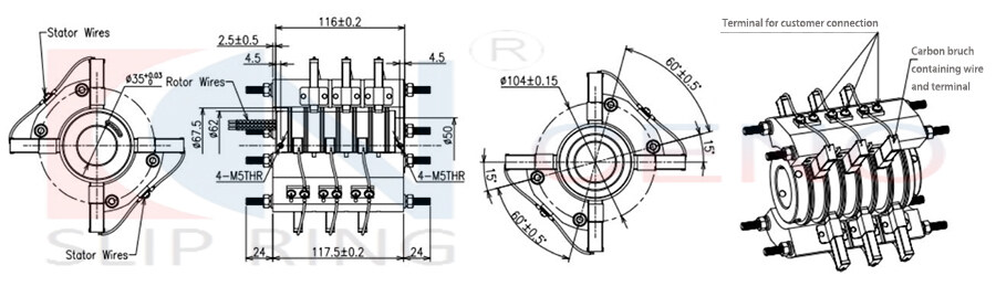
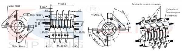
Product Model: SCN-C-035-06P2
Description
  • Current & Circuits: 6 circuits * 10A
  • Rating Voltage: 415VAC
  • Dielectric strength: ≥1500VAC@50Hz (P)
  • Isolation resistance: ≥500MQ@500VDC
  • Lead wire length: Rotor wire: 200mm; Stator wire : 200mm
  • Operating speed: 0~5000rpm
  • Contact material: Copper graphite
  • Working temperature: -20°C~+60°C
  • Working humidity: 60% below
  • IP protection grade: IP51
  • Inner diameter: Ø35mm
  • Lead wire size: AWG17# Tin coated Teflon ® UL 1.0mm²
  • Install way: The Rotor installed on the spindle by screwsService life8395h

SCN-C-035-06P2 is a high speed carbon brush slip ring from CENO company. This high speed slip ring transmit power and signals stably with the speed of 5000rpm, the operation speed can be designed up to 10000rpm as different application scenarios and optional. There are 6 circuits for 10A power with the rating voltage 415VAC. Due to it’s low torque, low consumption, high stable performance and long service life, it mainly used on the Automatic machine or Test facilities and instruments, such as High-speed train detect equipment, Eddy current testing machinery, or Non-destructive detector etc.