logo (1)

High Speed Slip Rings

  1. Home
  2. /
  3. Function Slip Rings
  4. /
  5. High Speed Slip Rings
  6. /High Speed Slip Rings

High Speed Slip Rings

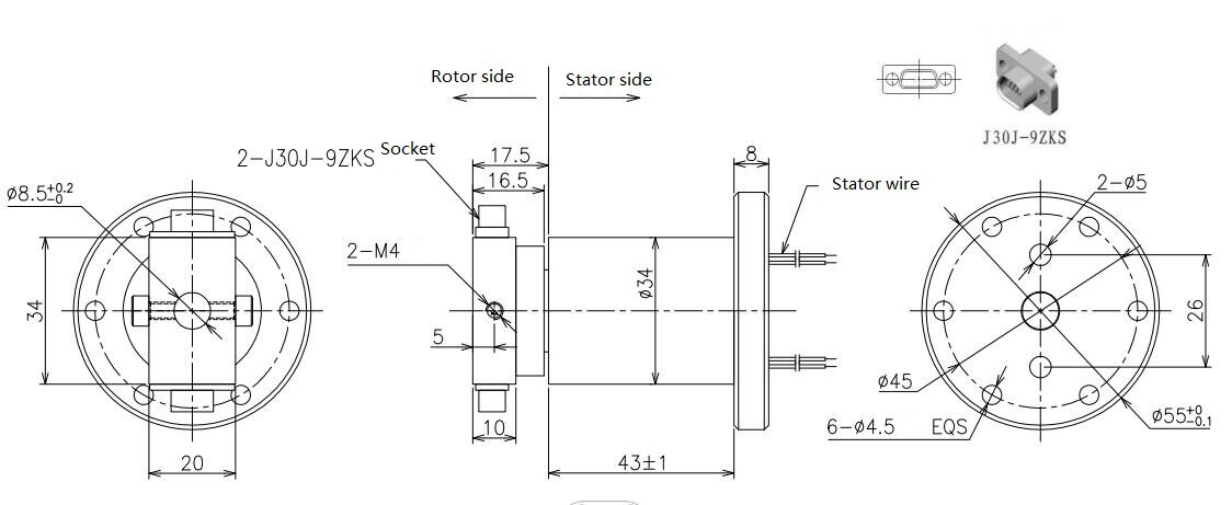
Product Model: ECN008-03P-12S-GS
Description
  • Circuits & Current: 3*3A,12*1A
  • Voltage: 0~48VDC
  • Dielectric strength: ≥500V@50Hz
  • Isolation resistance: ≥300MΩ@100VDC
  • Operating speed: 0-2000 rpm
  • Contact material: Precious metal
  • Housing material: Aluminium housing
  • Inner bore size: 8.5 mm
  • Working temperature: -40 °C~ +80°C

CENO high speed slip ring usually to be applied for testing purpose. Long life of this kind of high speed slip ring is the critical parameter, and it is the design point. CENO provides different high speed design solution, speed up to 10000rpm. ECN008-03P-12S-GS used for aeronautical applications, can working at -40 °C~ +80°C temperature range with operating speed 2000rpm. The high speed slip rings are suitable for high frequency and high data rate transmission and able to endure in hostile environments or at high speed and more. The center hole in the middle of the slip ring is designed to provide clearance for the rotating shaft and rotary joint to meet the function of 360 °rotation of the equipment. CENO slip rings are designed with consideration for all user experiences from ease of installation, ease of maintenance and optimal product life.