logo (1)

Integrate Pneumatic Rotary Unions

  1. Home
  2. /
  3. Integrated Slip Rings
  4. /
  5. Power/Signal+ Pneumatic/Hydraulic
  6. /Integrate Pneumatic Rotary Unions

Integrate Pneumatic Rotary Unions

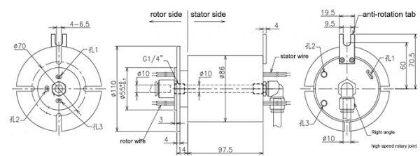
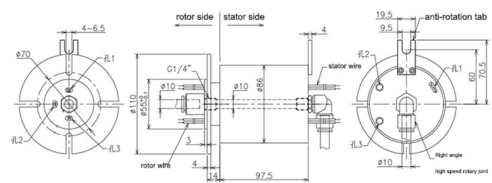
Product Model: QCN0102-06P1-02EM
Description
  • Circuits & Current: 6*5A, 1*PE, 2*100M Ethernet signal
  • Voltage: 0~380VAC/VDC
  • Insulation resistance: ≥500MΩ@500VDC; ≥100MΩ@100VDC
  • Dielectric strength: ≥1500V@50hz; ≥500V@50hz
  • Resistance fluctuation: 10mΩ(with50rpm)
  • Operating speed: 0~250rpm
  • Contact material: Precious metals
  • Operating temperature: -40℃~+80℃
  • IP protection grade: IP51
  • Channel number: 1*air
  • Connector size: G1/4
  • Max pressure: 0.6MPa
  • Pipe size: Ø10mm

QCN0102-06P1-02EM is an integrated rotary union slip ring, which is designed by CENO for lithium battery equipment to pass air and power. This rotary union has one air channel with interface straight-through, the interface size is G1/4 and pipe size is Ø 10 mm. As well as 6 circuits 5A, 1circuit PE and 2 groups of 100M Ethernet signals in this union. Its rotating speed at 0~250RPM under the working temperature of – 40 ℃ ~ + 80 ℃ with its characteristic of stable signal transmission, no interference, no error.