logo (1)

Low Temperature Slip Rings

Low Temperature Slip Rings

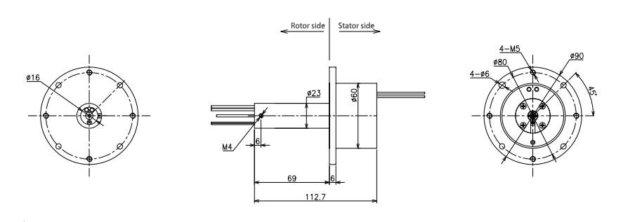
Product Model: ECN000-02P-02P1-01F
Description
  • Fiber channel: 1 channel
  • Fiber type: 9/125um
  • Wave length: 1310~1550nm
  • Insert loss: ≤1.0dB
  • Insert loss WOW: <0.25dB
  • Return loss: ≥40dB
  • Maximum Optical power: 23dB
  • Encapsulated type: 3mm tail fiber sheath at both ends
  • Interface type: FC/PC
  • Current & Circuits: 2Circuits*25A; 2Circuits*5A
  • Rating Voltage: 0~800 VDC
  • Dielectric strength: ≥ 3000VAC@50Hz (Between tow circuits)
  • Insulation resistance: ≥800MΩ@1000VDC
  • Contact resistance fluctuationMax: 20mΩ(50rpm)
  • Lead wire: AWG16# silicon high voltage wire (UL3239) AWG20# silicon wire (UL3239)
  • Working speed: 0-250 rpm
  • Operating temperature: -55~+85℃
  • Lead wire length: 1000mm at each end
  • Working Humidity: 60%RH
  • Contact material: Precious metal
  • IP protection grade: IP54
  • Housing material: Natural color of aluminum alloy anodized
  • Install way: Stator end fixed with flange, Rotor end flat position drive.

ECN000-02P-02P1-01F is one of CENO’s High / low temperature, aerospace, high altitude Fiber Optic Rotary Joints, and is called function slip ring too. It can be used in any electric mechanical system that requires unrestrained, continuous rotation while transferring power, data or Fiber signal from a stationary to a rotating structure when 360° rotating, such as Microwave communication, HD video transmission system, sensor signal measurement, medical equipment, airborne radar and video monitoring system, especially used in aerospace because of the operating temperature can be to -55~+85℃. CENO is continue to develop our abilities and focus on creating new technology that drives change, meets the needs of our partners and challenges our team.