logo (1)

Multi-channels Slip Ring

  1. Home
  2. /
  3. Function Slip Rings
  4. /
  5. Multi-channel Slip Rings
  6. /Multi-channels Slip Ring

Multi-channels Slip Ring

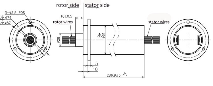
Product Model: ACN-08P-102S
Description
  • Circuits & Current: 8*8A, 96*signal, 6*ultrasonic signal
  • Voltage: 220VAC/24VDC
  • Electrical noise: ≤70mΩ(50rpm)
  • Dielectric strength: ≥500V@50Hz
  • Insolation resistance: 100MΩ@100VDC
  • Operating speed: 0-300 rpm
  • Contact material: gold to gold
  • Operating temperature: -20~+60℃
  • OD: 61mm
  • IP protection grade: IP54

Our newest design capsule multi channels rotary joint assembly, whole length is 286.9mm. It is used for lithium battery equipment, there are 110 rings transferring ordinary signal, ultrasonic signal as well as current. Low electrical noise, low torque, smooth rotation, low contact wear rates.