logo (1)

Profi-net Slip Rings

  1. Home
  2. /
  3. Signal Slip Rings
  4. /
  5. Profi-Bus Slip Rings
  6. /Profi-net Slip Rings

Profi-net Slip Rings

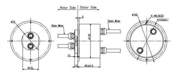
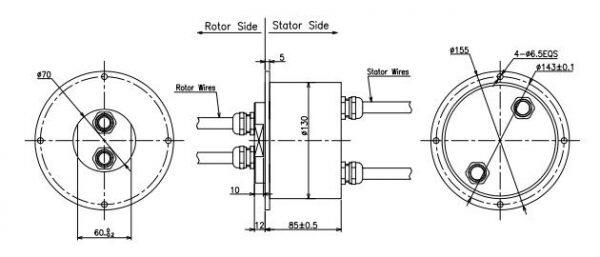
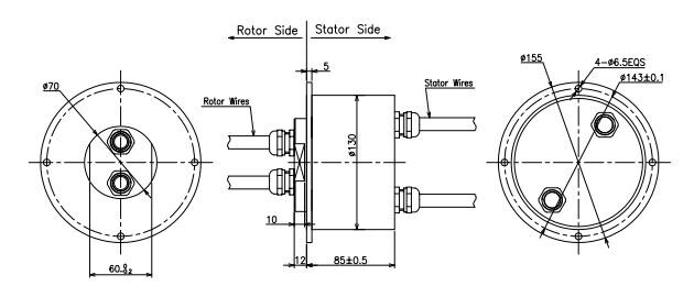
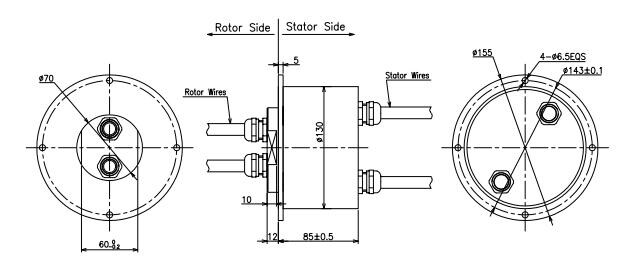
Product Model: ECN000-04P2-04S-IP66
Description
  • Current & Circuits: 4*10A; 1*Profi net signa
  • lRating Voltage: 0~220 VAC / VDC
  • Diameter strength: ≥1500VAC@50Hz; ≥ 300VAC@50Hz
  • Isolation resistance: ≥500MΩ@500VDC; ≥100VAC@100VDC
  • Electrical noise: ≤30mΩ (50rpm)
  • Lead wire size: 4-Core wire twisted shielded wire
  • Lead wire length: Rotor: 1000mm; Stator:1000mm
  • Operating speed: 0~300rpm
  • Contact material: Precious metal
  • Housing material: Stainless steel + Aluminum alloy
  • Working temperature: -20°C ~ +60°C
  • Working humidity: <90%
  • Protect grade: IP66
  • Rotation way: Stator side flange installation

ECN000-04P2-04S-IP66 is a Profi Bus Slip Ring from CENO electrical company. There are 4 circuits of 10A electric power signal and 1 group of Profi net signal. CENO select perfect material use on Profi Bus Slip Ring, such as for the contact material we choose precious material and the housing material is Aluminum alloy and Stainless Steel, all of these make the Profi Bus Slip Ring working stably as well as the protect grade can meet to IP66. CENO’s Profi Bus Slip Ring ECN000-04P2-04S-IP66 is used on electrical cable reel, or marine machinery, winding machine, Carrier Drones etc.