logo (1)

Profibus Signal Slip Ring

  1. Home
  2. /
  3. Signal Slip Rings
  4. /
  5. Profi-Bus Slip Rings
  6. /Profibus Signal Slip Ring

Profibus Signal Slip Ring

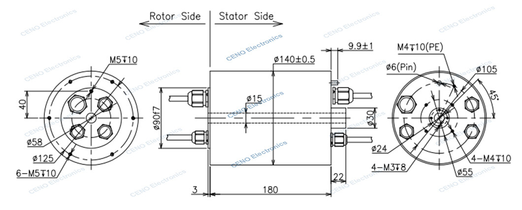
Product Model: ECN000-05P4-04P3-11S
Description
  • Current & Circuits: 4*25A (630VAC); 1*25A (PE); 4*16A (250VAC); 1*Profibus Signal;
  • 8 *3A (30VAC)
  • Rating Voltage: 0-630VAC/VDC
  • Dielectric strength: ≥1500VAC@50Hz; ≥300VAC@50Hz
  • Isolation resistance: ≥500MΩ@500VDC; ≥100MΩ@300VDC
  • Contact resistance: 30mΩ (50rpm)
  • Contact material: Precious Metal
  • Housing material: Stainless steel + Aluminum Alloy
  • Working temperature: -20°C~+70°C
  • Working humidity: 60 %RH
  • IP protection grade: IP50
  • Operating speed: 0~10rpm
  • Lead wire length: Rotor : 3000mm; Stator : 3000mm
  • Rotation Way: Flange installation

ECN000-05P4-04P3-11S is CENO new Profibus signal slip ring which is an open, fully digital, two-way, multi-station communication system. Along with the experience rapid development and application in recent years, the profinet slip rings widely used for on-site intelligent device interconnection communication networks in process automation. CENO has developed a series of profibus slip rings for the application where needs of profibus, such as CAN, Ethernet, etc. For more information about how CENO slip rings can fit your specific usage, please contact us.