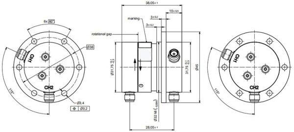
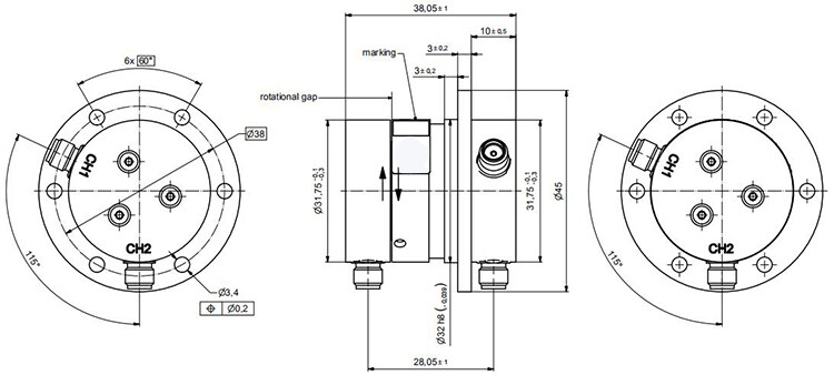
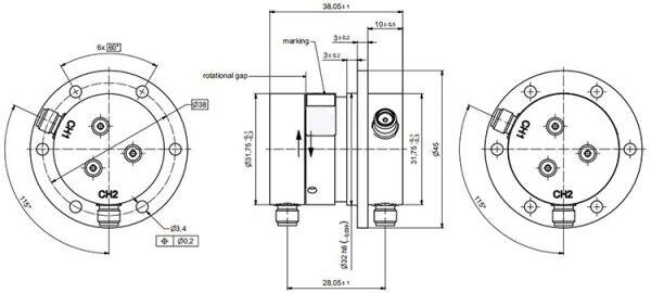
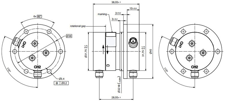
| RCN02-04-04 | Specification | |
| Channel number | Channel 1 | Channel 2 |
| Frequency range | DC to 4.5 GHz | DC to 4.5 GHz |
| Interface type | SMA | SMA |
| Interface orientation | Style U | Style U |
| Insertion loss,max | 0.4dB | 0.6dB |
| Insertion loss,WOW,max | 0.05dB | 0.25dB |
| Rotating speed,max | 60rpm/30rpm | |
| Peak power,max | 1KW | |
| Working temperature | -40℃~-+71℃ | |
| weight | 0.13kg | |
| Body material | Aluminum alloy |
Provide high-quality conductive slip ringsand professional solutions for manyindustries and domestic and foreign
customers
CENO Electronics.