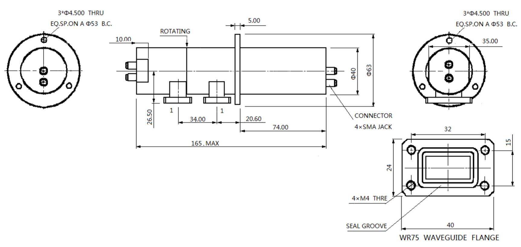
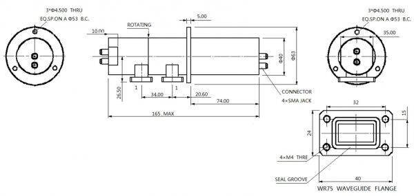
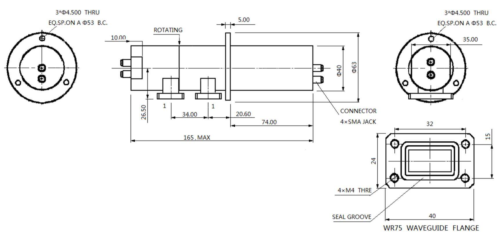
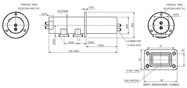
| RCN03-01WG-02COX | Specification | ||
| Channel 1 | Channel 2 | Channel 3 | |
| Connector | SMA female | SMA female | UBR120 |
| Frequency range | 18GHz | 13GHz | 13.5-14.5GHz |
| Peak Power, Max. | 1000W@1GHz | 1000W@1GHz | 20KW |
| Insertion loss | 0.7dB@0-4GHz1.5dB @4-12GHz2.0dB @12-18GHz | 0.9 dB @0-4GHz1.6 dB @4-12GHz2.5 dB @12-18GHz | 0.2 dB |
| Insertion loss,WOW,max | 0.1 dB | 0.15 dB | 0.05 dB |
| Rotating speed,max | 20rpm | ||
| Working temperature | -50℃~-+80℃ | ||
| IP protection grade | IP60 EN60529 | ||
| weight | 1.5K | ||
| Body material | Aluminum alloy |
Provide high-quality conductive slip ringsand professional solutions for manyindustries and domestic and foreign
customers
CENO Electronics.