logo (1)

Thermo Couple Slip Rings

  1. Home
  2. /
  3. Signal Slip Rings
  4. /
  5. Thermocouple Slip rings
  6. /Thermo Couple Slip Rings

Thermo Couple Slip Rings

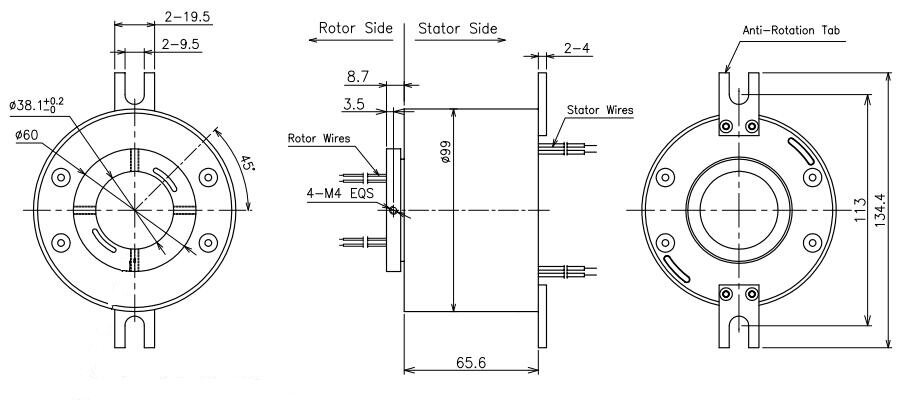
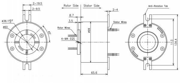
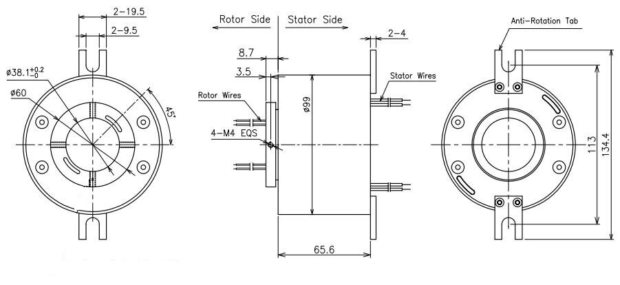
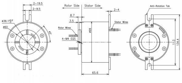
Product Model: ECN038-02P-02S
Description
  • Circuits & Current: 2*30A,2*K type thermocouple
  • Voltage: 0~250VAC
  • Dielectric strength: ≥800VAC@50Hz (power); ≥100VAC@50Hz (signal)
  • Insulation resistance: ≥500MΩ@500VDC (power); ≥100MΩ@100VDC (signal)
  • Electrical Noise: Max 30 mΩ (50 rpm)
  • Operating speed: 0-250 rpm
  • Contact material: Precious metal
  • Housing material: Aluminum alloy
  • Through bore size: 38.1mm
  • IP grade: IP51
  • Working temperature: -40°C~ +200°C

It’s a K type thermocouple slip ring integrated 2 channels for 30A power transmission, Inner bore size is 38.1mm, CENO can provide different solutions according to customer’s requirements, inner bore size can be choose from 3mm to 980mm. Thermocouple works based on thermoelectric effect. And the law of intermediate conductor is to connect an intermediate conductor in the circuit, which has no effect on the general circuit if the temperature of two sides of the conductor remains the same. CENO thermalcouple slip ring is usually to be applied on chip mounter, automation machinery and agitator in chemical engineering. It has features with simple assembly, easy replacement, wide temperature measurement range from -270℃ to +2800℃, high measurement precision and thermalcouple type is optional.