logo (1)

Thermocouple Slip Rings

  1. Home
  2. /
  3. Signal Slip Rings
  4. /
  5. Thermocouple Slip rings
  6. /Thermocouple Slip Rings

Thermocouple Slip Rings

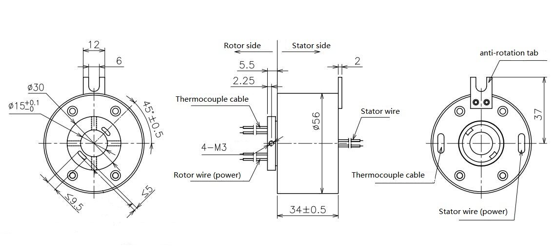
Product Model: ECN015-03P-02S
Description
  • Circuits & Current: 3*5A,2*K-type thermocouple
  • Voltage: 220 VAC
  • Electrical noiseMax: 70mΩ (50rpm)
  • Dielectric strength: ≥500V@50Hz; ≥300V@50Hz
  • Insulation resistance: ≥500MΩ@500VDC; ≥100MΩ@300VDC
  • Operating speed: 0-300 rpm
  • Contact material: Precious metal
  • Housing material: Aluminium alloy black housing
  • IP protection grade: IP54
  • Working temperature: -20°C ~ +60°C

This is thermocouple signal slip ring, through hole size is 15 mm, it transmits 5A current and two group K-type thermocouple signal, working speed 300rpm, inside contact material precious metals, housing material is aluminum alloy, It has features with simple assembly, easy replacement. CENO thermalcouple slip ring is usually to be applied on chip mounter, automation machinery and agitator in chemical engineering. It has features with simple assembly, easy replacement, wide temperature measurement range from -270℃ to +2800℃, high measurement precision and thermalcouple type is optional. CENO can provide slip ring with inner bore size from 3mm to 980mm, any other special requirements just contact with us.