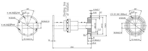
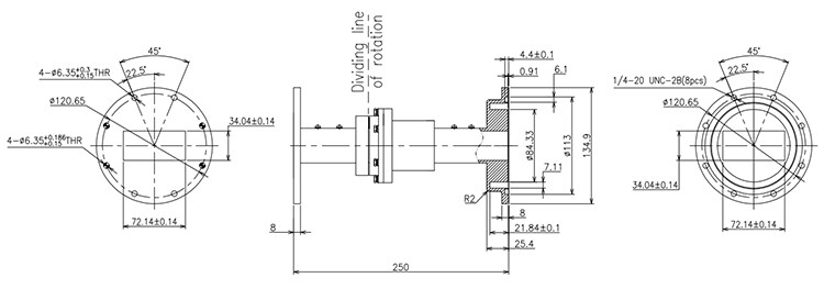
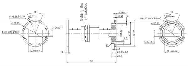
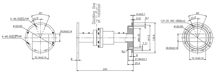
| WG284-284-I-01 | Specification |
| Interface | WR284 |
| F | 2.7~2.9GHz |
| VSWR | ≤1.2 or less |
| IL | ≤0.15dB |
| Peak power ,max | 1MW |
| Material | aluminum silver-plated,airtight |
| The tolerance of linear and angular dimensions is GB/t1804-m | |
| The tolerance of unmarked shape and position is GB/t1184-k | |
| Tolerance ±0.5mm at profile painting place |
Provide high-quality conductive slip ringsand professional solutions for manyindustries and domestic and foreign
customers
CENO Electronics.